咨詢熱線
021-56037469
021-56381771
021-56318899
021-56325777參數范圍 |
流量:0.768~27(m3/h) |
揚程:≤40(m) |
溫度:15℃~150℃ |
口徑Φ:10~100(mm) |
泵殼:鋁合金,鑄鐵,不銹鋼 |
隔膜:丁氰橡膠,氯丁橡膠,氟橡膠,四氟橡膠 |
產品概述:
泵體材料 | 代號 | 隔膜材料 | 代號 |
鋁合金 | L | 丁氟橡膠 | NBR |
鑄鐵 | Z | 氟橡膠 | F |
工程塑料 | S | 乙丙橡膠 | EPDM |
不銹鋼 | B | 氯丁橡膠 | CR |
襯膠 | ZCJ | 四氟橡膠 | F46 |
DBY3型電動隔膜泵是一種新型的泵類,采用XLD系列擺線針輪減速機傳動動力,近年來,在隔膜材質上取得了突破性的進展。國際上越來越多的工業化國家采用此種類型的泵,取代部分離心泵、螺桿泵,來應用于石油、陶瓷、冶金等行業,產品設計均參考美國ABEL公司樣機,該泵適用于低壓,即出口壓力≤3(kg/cm3)場合。
型號意義:
例:DBY 3 B - 15
15-進出口直徑(mm)
B-不銹鋼材質
3-三代
DBY-電動隔膜泵
產品特點:
1、不需灌引水,自吸能力達7米以上。
2、通過性能好,直徑在10毫米以下的顆粒、泥漿等均可以毫不費力地通過。
3、由于隔膜將被輸送介質和傳動機械件分開,所以介質不會向外泄漏;且泵本身無軸封,使用壽命大大延長;根據不同介質,隔膜可分為氯丁橡膠、氟橡膠、丁晴橡膠、聚四氟已烯、特氟龍(F46)等,可以滿足不同客戶的要求。
4、泵體介質過流部分,可根據用戶要求不同,分為鑄鐵、不銹鋼、襯膠、鋁合金,電機可分普通電機、防爆電機、減速電機和電磁調速電機。
電動隔膜泵的工作原理:
電機通過減速箱帶動左右兩端柱塞上面的隔膜一前一后往復運動。在左右兩個泵腔內,裝有上下四個單向球閥,隔膜的運動,造成工程腔內的容積的改變,迫使四個單向球閥交替地開啟和關閉,從而將液體不斷地吸入和排出。
主要用途:
一,各種污染物,易燃液體
二,各種強酸、強堿、強腐蝕性液體
三,可輸送較高溫度的介質150℃
四,作為各種壓濾機前級送壓裝置
五,熱水回收及循環
六,油罐車、油庫、油品卸載
七,泵吸泡菜、果醬、土豆泥、巧克力等
八,泵吸油漆、樹膠、顏料粘合劑
九,各種瓷器釉漿、水泥灌漿、灰漿、泥漿。
十,各種橡膠漿乳膠、溶劑、填料
十一,用泵為游輪駁船吸取倉被污水及剩油。
十二,啤酒花及發酵粉稀漿、糖漿、糖蜜
十三,泵吸礦井、坑道、隧道、下水道中的污水,沉淀物
十四,各種特殊介質的吸送
性能參數表:
泵型號 | 口徑(mm) | 流量(m3/h) | 流量(L/min) | 揚程(m) | 出口壓力(Mpa) | 吸程(m) | 功率(kw) | 顆粒直徑(mm) |
DBY3-10 | 10 | 0.768 | 12.8 | 40 | 0.4 | 3 | 0.55 | 0.5 |
DBY3-15 | 15 | 0.768 | 12.8 | 40 | 0.4 | 3 | 0.55 | 0.5 |
DBY3-25A | 25 | 3.3 | 55 | 40 | 0.4 | 4 | 1.5 | 3.5 |
DBY3-32 | 32 | 3.3 | 55 | 40 | 0.4 | 4 | 1.5 | 3.5 |
DBY3-40 | 40 | 3.3 | 55 | 40 | 0.4 | 4 | 1.5 | 3.5 |
DBY3-50 | 50 | 9.72 | 162 | 40 | 0.4 | 5 | 2.2 | 6 |
DBY3-65 | 65 | 9.72 | 162 | 40 | 0.4 | 5 | 2.2 | 6 |
DBY3-80 | 80 | 14.4 | 240 | 40 | 0.4 | 5 | 3 | 8 |
DBY3-100 | 100 | 14.4 | 240 | 40 | 0.4 | 5 | 3 | 8 |
DBY3-125 | 125 | 27 | 450 | 40 | 0.4 | 5 | 5.5 | 8 |
備注:性能參數表均只做參考,如需產品相關安裝圖等詳細參數說明書請致電:021-56386999。
工作原理:
一,連接壓縮空氣后,氣閥控制壓縮空氣推動膜片向友移動,同時膜片會擠壓右膜腔室中的介質從而將介質排除泵腔。膜片不僅起輸送介質的作用,同時在泵腔中起隔離壓縮空氣和介質。當一個膜片被壓縮空氣推向遠離中間體時,與此同時通過連桿鏈接的另外一個膜片移向中間體時,與此同時通過連桿鏈接的另外一個膜片移向中間體,其中處于高壓的連桿其作用是連接位于兩個膜腔室中的膜片。當膜片2移向中間體時,膜片后面的高壓空氣通過閥門的換向通過消音器被迫排放到外界。當膜片2移向中間氣閥時,泵入口產生真空并通過大氣壓力將介質壓入泵的進口中。此時蹦的進口閥球會被抬高而離開閥座,保證介質很輕松的通過進口管路而充入泵腔中。
二,當膜片1位于高壓空氣下時,膜片1隨著沖程慢慢的移動到最大位置。同時,通過氣閥控制壓縮空氣慢慢充入膜片2后面的空間。此壓縮空氣勢必將推動膜片2慢慢遠離中間體,通過連桿的連接,膜片1 開始移向中間體。膜片2將擠壓膜腔室中介質并通過水利作用再進口處的閥球上,使得閥球和閥座的接觸后而封閉進口管路。同時,同樣的水利作用在出口處球閥上并提升球閥,打開出口管路,另一側的出口處球閥因壓力的作用而關閉,進口處的球閥同樣因壓力的作用而打開,液體也就被吸入泵腔室內。
三,當一個充成完成后,通過氣閥的換向使得膜片1后面再次被充入壓縮氣體,同時膜片2開始移向中間體,膜片2后面的氣體也開始通過氣閥及消音器排向外界。
故障排除:

故障問題 | 解決方法 |
系統中吸入高度過大 | 若吸入高度超過4米,大多數情況下用液體充滿泵室即可啟動泵 |
系統中正吸入高度過大 | 當液體正吸入高度超過3米時應安裝一個背壓裝置。 |
系統壓差超過供氣壓力 | 增加泵的進氣壓力,大部分隔膜泵都按照零流量情況下1:1的壓力比進行設計。 |
供氣壓力或流量超過系統壓差 | 根據所公布的《性能曲線》進行計算,減少泵的進氣口壓力和流量,泵會通過快速循環使流體發生空化。 |
吸入管道尺寸過小 | 按照尺寸圖紙的推薦值進行連接 |
空氣管道受限或者尺寸過小 | 采用更大的氣管進行連接 |
死機不工作 | 檢查氣閥里面塑料配件是否有破損情況,閥塊是否磨蝕。 |
死機不工作 | 檢查氣閥里面密封件是否磨蝕壞掉,是否分流閥和導向閥的氣流換向器磨蝕或卡主,不能自由移動或連接部位斷裂的情況。 |
死機不工作 | 拆卸并檢查配氣閥組件和引導換向閥頂針,更換有問題的零部件.確保閥塊和引導換向閥可平穩自如移動,重新安裝前檢查閥口是否堵住。 |
泵用剛性管道連接 | 安裝柔性連接器和阻尼器 |
排氣消聲器堵塞 | 取下消聲器,拆開消聲器清洗或除冰,然后重新安裝 |
在排氣消聲器中泵入了液體 | 拆除泵室檢查隔膜的裂縫或松動的隔膜板部件。 |
吸入端漏氣或產品中進入空氣 | 目視檢查所有吸入端的墊片和管道連接部分 |
止回閥堵塞 | 把泵上的過水進出口部件拆下來,然后人工清除止回閥凹出的堵塞物。 |
止回閥或其閥座磨損或未對齊 | 檢查止回閥及閥座的磨損情況及支撐情況。如有必要可進行更換。 |
吸入管堵塞 | 清除或用水沖掉堵塞物,檢查并清理所有吸入口濾網。 |
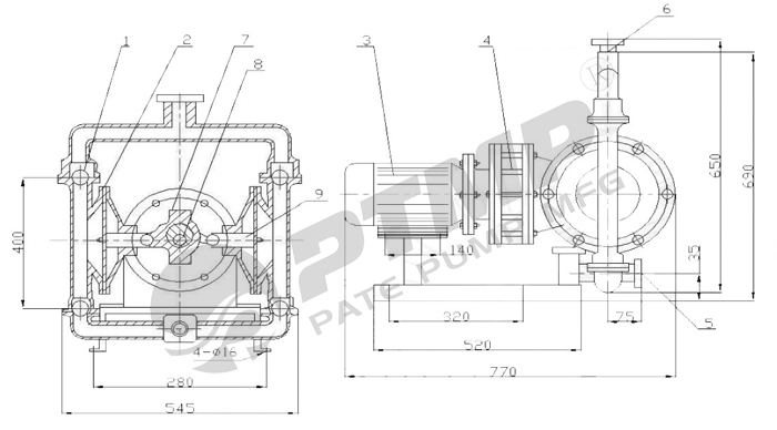
安裝尺寸圖:

安裝尺寸表:
| 序號 | 零件 | 序號 | 零件 |
| 1 | 球座 | 6 | 出口 |
| 2 | 隔膜 | 7 | 連桿 |
| 3 | 電機 | 8 | 偏心轉軸承 |
| 4 | 減速機 | 9 | 活塞 |
| 5 | 進口 |








